FF-AB-X2-RB Honeywell

HONEYWELL LUMANDAR
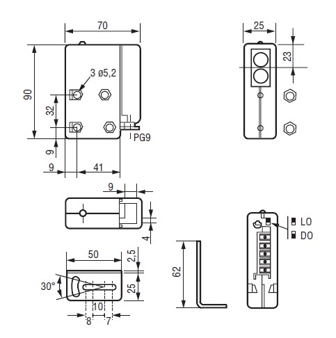
Cèl·lula fotoelèctrica REFLEXOR Honeywell Estel per a detecció de pas sobre una gran distància.
MODEL OBSOLET SUBSTITUÏT PER RLK29-55/25/116
Entrega immediata no disponible
Calcula les despesses d'enviament
Selecciona país i codi postal per calcular l'import de l'enviament
Cèl·lula fotoelèctrica REFLEXOR Honeywell Estel per a detecció de pas sobre una gran distància.

• Abast: 12m en detecció retroreflex.
• Alta immunitat a la llum ambient.
• Reflector: Ø 85mm subministrat, angle ± 20°.
• Commutació directa (LO) / Inversa (DO) per interruptor.
• Sortida: relé 2 A 1 RT.
• Temps de resposta: 25ms en pujada, 25ms en baixada.
• Connexions: terminals amb cargols per cable 1,5mm2 màx .
• premsaestopes: PG9.
• Cable: Ø 8mm màx.
• Esquadra de fixació multiposició inclosa.
• Alimentació: 90 a 260 Vac.
• Protecció: Caixa estanca IP65.
• Temperatura d'ús: -20 a +60 °C.